Fuente Nipon America DVP 1212.pdf
Fuente Nipon America DVP 1212.pdf
- Descripción
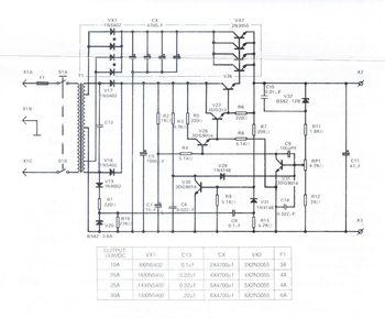
- Fuente Nipon America DVP 1212
- Tamaño
- 0.18Mb
- Modelo
- Fuente Nipon America DVP 1212
- Etiquetas
- Subido por
- Muchas gracias brotherEduardo Bandilla - NULL
Diagramas recomendados
- Fuente de Laboratorio.rarFuente de alimentacion para laboratorio regulable en corriente hasta 3 A y en tension de 0 a 30V Incluye esquematico, PCB y layout.20 opiniones
0.19Mb
- FUENTE DE PODER 24, 12, 5 VDC.docxES UNA FUENTE DE PODER CON TRES TENSIONES VARIABLES Y SE PUEDE MODIFICAR COMPONENTE SPARA MAYOR POTENCIA Y AMPERAJE MANTENIENDO EL DISEÑO10 opiniones
0.04Mb
- CIRCUITO COMPLETO PANELES SOLARES.JPGhola espero te ayudes en argo fue lo unico que encontre9 opiniones
0.21Mb
Categorías
- Aire acondicionado(1485)
- Alarmas(732)
- Aspiradoras(221)
- Autos(13680)
- Avionetas(83)
- Balanzas (Basculas)(159)
- Bicicletas(27)
- Broadcasting(76)
- Calculadoras(58)
- CALDERAS(5)
- Camaras Analogicas(669)
- CAMARAS DIGITALES(1017)
- CAMARAS WEB(29)
- CARGADORES(52)
- CCD TV(64)
- CCTV(63)
- Centrales Telefónicas(5860)
- circuito integrado(113)
- Circuitos(293)
- Circulares Técnicas(106)
- Cursos(1016)
- Drivers(358)
- DVD / Blue Ray(2640)
- EEPROM(23353)
- Electromedicina(3556)
- Energia Solar(33)
- Fax(506)
- Flippers(99)
- Freidoras(5)
- Fuentes(462)
- GENERADORES(57)
- GPS(15)
- Helicópteros(15)
- Home Theater(560)
- Hornos / Cocinas(104)
- IC(16)
- Impresoras(5681)
- Laptop / Notebook(3937)
- Lavavajillas(56)
- Licuadoras(14)
- Maquina de soldar(171)
- Microondas(1354)
- Monitores(4642)
- Motocicleta(3865)
- Motores(428)
- Notebooks y Netbooks(176)
- OSCILOSCOPIO(12)
- otros(3049)
- Planchas(9)
- PLC(120)
- Programas(61)
- Proyectores(355)
- Radares(19)
- Radio Comunicacion(1216)
- Receptores Satelitar(128)
- Scanners(44)
- Tablets(17)
- Telefonos(648)
- Televisores (TV)(24431)
- Televisores LCD y Plasma(6786)
- Tornos(4)
- TV PROYECCION(996)
- UPS(131)
- VCR(1023)
- Videocamaras - CAMCORDER(2372)
